Hermes: Key

2013 Dec - 2014 Jun

The aim of this project, is to develop a hardware encrypted system which would restore privacy to their rightful owners. Hermes: Key is a hardware secured encryption system that is integrated with the Hermes: App. This device decouples these functionalities from the mobile application. In the event that the phone is stolen, there would be no way for someone to decrypt the messages .

Screen Shot 2016-12-19 at 10.30.30 AM.png

ideation

Key design considerations for device: 

  • Pocket sized and portable
  • Can be operated with one hand
  • Bold but not loud

Initial designs were focused on the conceptual and aesthetic aspects. The goal was to create something which was small, but obscure in its functionality such that if people picked it up, they would not be able to know what it is used for.

concept 1: screen based

Screen Shot 2016-12-19 at 10.31.13 AM.png

One design that worked well had a screen that showed the encryption and decryption processes. This design also had a large button which provided ease of use with one hand. 

CONCEPT 2: size based

We found that screens created short battery life and fragility, dramatically increasing both production and assembly costs. I therefore used LEDs as instead as progress indicators, which allowed us to further shrink the device to the size of a car key. 


Prototyping

Scaled Rendering

This gave us flexibility as we can adjust the designs virtually. It also allowed us to work closer with the manufacturers as they can now make edits based on manufacturing needs.

Batch production

After failed attempts using extrusion printers, we decided to use Stereolithography. These printers created extremely accurate prototypes that had smooth and detailed finishes. 

Construction Views

The fastest and most accurate method of prototyping is 3D printing. I created an accurate “meshed” version of each section of the model. This would include manufacturing features such as joins, etc.


FINAL DESIGN

Moulding:  We removed all complex forms, and made the front and back panels symmetric in order to reduce moulding costs.

Material: Production in aluminium would have tripled the cost. It would have also required a redesign of the button adding extra tooling.

To ensure that the customer would always have a working device, we decided to ship two devices in one package. 


Production


The production design is a little bigger then a matchbox. In its construction, we took into consideration:

  • The properties of the materials being used
  • The details regarding how each part will be joined
  • How each part will be removed from moulds and whether parts can be manufactured from left over plastic

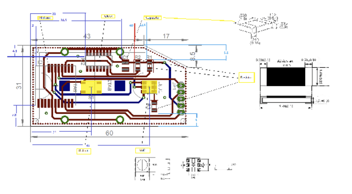
We made also several adjustments to the circuit to accommodate the shell’s design. Placement of parts were carefully considered so that they provided the highest efficiency without compromising aesthetics.